欢迎您,来到上海久制传感仪器有限公司官方网站!
服务热线:021-58108066
微型称重、测力传感器专家
称重测力传感器
扭力扭矩传感器
工业气压液压型传感器
称重测力控制仪表
进口品牌
无线称重测力产品
日本MANTON传感器官网
进口荷重传感器
称重分选机
高精度拉压力传感器
压装机传感器
小量程拉力传感器
小尺寸测力传感器
小型称重传感器
微型压力传感器
美国传力TRANSCELL传感器
美国世铨CELTRON传感器
日本美蓓亚MINEBEA-NMB传感器
日本NTS传感器
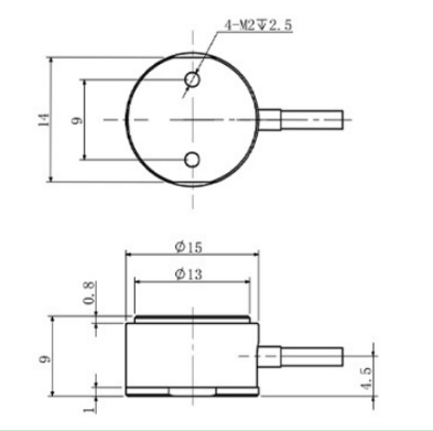
型号:L10V
量程:1kg-50kg
精度:0.1%F.S.
材质:不锈钢
输出:1.0~1.5mV/V
供电:5-10 vDC
疲劳:20-30万次
量程:0~1kg~2kg~3kg~5kg~10kg~20kg~30kg~50kg
特点:L10V型测力传感器,采用不锈钢材质,体积小,重量轻,受力端采用平面式结构,适用于压装力检测,工业压缩型测力场所,固定面和受力面各有2个螺孔用于安装传感器。
受力应用图:
外形尺寸:
技术参数:
选型表:
上一页:
下一页:
关于久制
品牌理念
企业社会责任
企业新闻一览
行业新闻速递
联系我们
021-5810 8066
版权所有 © 上海久制传感仪器有限公司 网 址:www.lmanucell.com 备案号:沪ICP备16019150号
电 话:021-58108066 传 真:021-58072395 地 址:上海市浦东新区航头镇沈杜公路118号5号楼