欢迎您,来到上海久制传感仪器有限公司官方网站!
服务热线:021-58108066
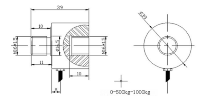
量程:0~100kg~200kg~300kg~500kg~700kg~1t~2t
特点:M10E型传感器采用不锈钢材质,柱式结构设计,内外螺纹结构设计,一头内螺纹用于固定传感器,另一头外螺纹螺纹可拧压头作压缩测力用,可以连接外螺杆作拉伸测试用,适用于拉压力试验机,插拔力试验机,气缸油缸压装机等相关机械测力设备。
受力应用图:

外形尺寸:

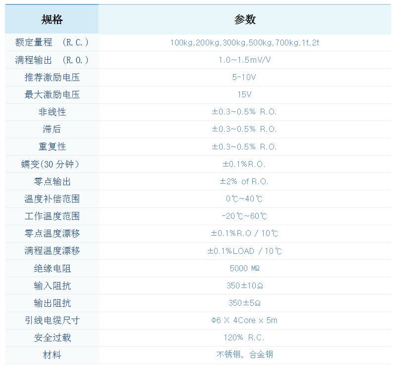
技术参数:

选型表:

版权所有 © 上海久制传感仪器有限公司 网 址:www.lmanucell.com 备案号:沪ICP备16019150号 
电 话:021-58108066 传 真:021-58072395 地 址:上海市浦东新区航头镇沈杜公路118号5号楼