欢迎您,来到上海久制传感仪器有限公司官方网站!
服务热线:021-58108066
量程:0~1kg~2kg~5kg~10kg~20kg~30kg~50kg~70kg~100kg
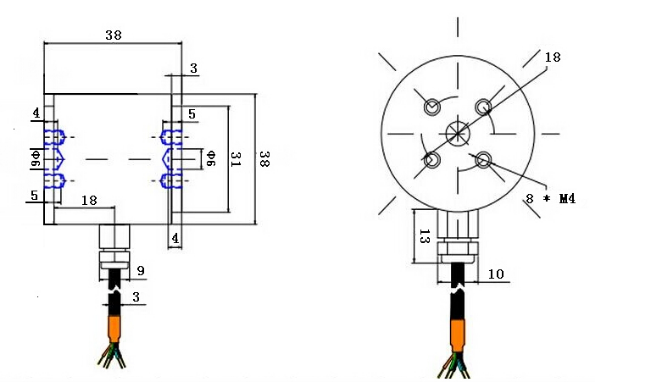
特点:M10N型传感器采用不锈钢材质,小圆柱式结构设计,两头内螺纹结构,一头4个M4内螺孔用于固定传感器,另一头4个M4内螺孔可以用来固定压头作压缩测力用,也可以连接外螺杆作拉伸测试用,适用于小型拉压力试验机,插拔力试验机,按键力设备,小量程压力机等安装空间受限制的测力场所。
受力应用图

外形尺寸:

技术参数:

选型表:
