欢迎您,来到上海久制传感仪器有限公司官方网站!
服务热线:021-58108066
微型称重、测力传感器专家
称重测力传感器
扭力扭矩传感器
工业气压液压型传感器
称重测力控制仪表
进口品牌
无线称重测力产品
日本MANTON传感器官网
进口荷重传感器
称重分选机
高精度拉压力传感器
压装机传感器
小量程拉力传感器
小尺寸测力传感器
小型称重传感器
微型压力传感器
美国传力TRANSCELL传感器
美国世铨CELTRON传感器
日本美蓓亚MINEBEA-NMB传感器
日本NTS传感器
型号:M10R
量程:50kg-2t
精度:0.5%F.S.
材质:不锈钢
输出:1.0-2.0mV/V
供电:5-10 vDC
疲劳:20-30万次
量程:0~50kg~100kg~200kg~300kg~500kg~1t~2t
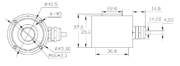
特点:M10R型传感器采用不锈钢材质,小圆柱式结构设计,一头4个M3内螺孔用于固定传感器,正面中间M16内螺孔可以用来固定压头作压缩测力用,适用于压装机,机械手,推力测试机等相关机械测力设备。
受力应用图:
外形尺寸
技术参数:
选型表:
上一页:小柱式测力传感器M10P
下一页:圆柱式拉压两用型测力传感器M10S
关于久制
品牌理念
企业社会责任
企业新闻一览
行业新闻速递
联系我们
021-5810 8066
版权所有 © 上海久制传感仪器有限公司 网 址:www.lmanucell.com
电 话:021-58108066 传 真:021-58072395 地 址:上海市浦东新区周浦镇万达广场E座1303