欢迎您,来到上海久制传感仪器有限公司官方网站!
服务热线:021-58108066
量程:0~5kg~10kg~20kg~50kg~100kg~200kg~500kg
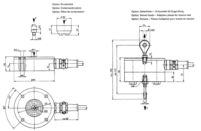
特点:C10G型传感器采用合金钢材质,小量程轮辐式结构设计,精度高,适用于拉压力试验机,各种压装机测力领域,正面内螺孔M8可拧压头作压缩型测力,可以连接螺杆作拉伸测力,背面4个Φ6.4通孔用于固定传感器。
受力应用图:

外形尺寸:

技术参数:

选型表:

版权所有 © 上海久制传感仪器有限公司 网 址:www.lmanucell.com 备案号:沪ICP备16019150号 
电 话:021-58108066 传 真:021-58072395 地 址:上海市浦东新区航头镇沈杜公路118号5号楼