欢迎您,来到上海久制传感仪器有限公司官方网站!
服务热线:021-58108066
量程:0~100kg~200kg~300kg~500kg~1t~1.5t~2t
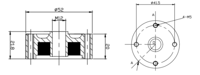
特点:C10K型传感器采用合金钢材质,小尺寸轮辐式结构设计,精度高,适用于拉压力试验机,各种压装机测力领域,中间内螺孔M12可拧压头作压缩型测力,可以连接螺杆作拉伸测力,四周4个M5螺孔用于固定传感器。
受力应用图:

外形尺寸:

技术参数:

选型表:

版权所有 © 上海久制传感仪器有限公司 网 址:www.lmanucell.com 备案号:沪ICP备16019150号 
电 话:021-58108066 传 真:021-58072395 地 址:上海市浦东新区航头镇沈杜公路118号5号楼