欢迎您,来到上海久制传感仪器有限公司官方网站!
服务热线:021-58108066
当前位置:首页 - 产品信息 - 工业气压液压型传感器 - 防爆型压力变送器
产品描述:
LM40C系列防爆型压力变送器采用硅压阻式芯体组装,2088壳体带LED数显表头,内置处理放大电路将传感器毫伏信号转换成标准电压﹑电流信号接入显示表头,直接现场显示实时压力。用一体化全不锈钢结构,经过多次不锈钢焊接,满足防爆设计要求,在恶劣环境中可以长期使用。产品安装方便,具有极高的抗振性和抗冲击性。广泛应用于易燃、易爆的场合中。
技术特点:
◆ -100KPa~0~20KPa~100MPa压力量程范围
◆ 完美的外形设计,优越的性价比
◆ 安装方便,结构简单
◆ 本安防爆CT4
◆ 高精度、全不锈钢结构
◆ 4位LED数显
技术参数:

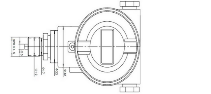
外形尺寸:

选型示意图:
